Microsemi fait le forcing en modules de puissance à base de SiC

Le 17/01/2013 à 19:15 par Philippe Dumoulin

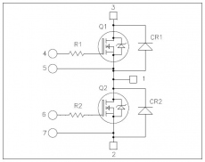
La société a dévoilé une douzaine de modules de puissance 600 V/1200 V incorporant des éléments actifs en carbure de silicium. Microsemi annonce la disponibilité d’une nouvelle génération de modules de puissance intégrant des composants (diodes et Mosfet) en carbure de silicium.
Destinés aux alimentations à découpage et UPS, à la commande de moteur, aux onduleurs solaires et autres applications industrielles haute tension et de forte puissance, ces modules de 600 V ou 1200 V sont proposés dans des boîtiers à bas profil, en gammes de température industrielle ou étendue.
De multiples topologies sont supportées : chopper, bras de pont et configuration NPC (Neutral point clamped) à destination des onduleurs à trois niveaux.

Copy link
Powered by Social Snap