Les pilotes de grille à isolation optique se passent d’alimentation

Le 08/09/2021 à 11:14 par Frédéric Rémond

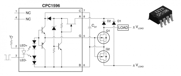
Un pilote de grille à isolation optique de Littelfuse se distingue par sa rapidité de démarrage et par sa faculté à dériver son alimentation interne de la charge elle-même.

Un pilote de grille qui dérive son alimentation de la charge et ne requiert donc pas de rail d’alimentation propre : c’est ce qu’a réalisé Littelfuse avec son CPC1596, un pilote de grille 570V à isolation optique. Il intègre pour cela un régulateur qui abaisse la tension de charge (jusqu’à 570V) en un rail de 12,2V pour ses propres besoins.

En outre, le CPC1596 répond rapidement aux montées de charge (typiquement en 40µs). Convenant aux montages AC et DC, il trouvera sa place dans des équipements industriels et médicaux, des systèmes d’air conditionné, ventilation et chauffage ou encore dans des appareils de test.

Copy link
Powered by Social Snap