
Signé STMicroelectronics, le STuW81300 couvre globalement la bande de fréquence allant de 1,925GHz à 16GHz.
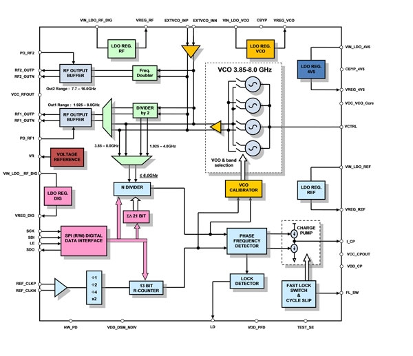
Avec le STuW81300, STMicroelectronics lance un synthétiseur de fréquence RF apte à couvrir la bande 1,925GHz à 16GHz. Ce qui, selon la société, constitue une largeur de bande (répartie sur deux sorties RF, l’une de 1,925GHz à 8GHz, l’autre de 7,7GHz à 16GHz) et une fréquence maximale inédites pour un circuit intégré.
Réalisé selon une technologie BiCmos 0,25µm SiGe, ce synthétiseur de type fractionnaire ou entier intègre notamment quatre oscillateurs commandés en tension (le VCO peut aussi être externe) et des régulateurs de tension. Il délivre +6dBm à 6GHz et +4dBm à 12GHz. Le plancher de bruit normalisé dans la bande est situé à -227dBc/Hz. Le bruit de phase est quant à lui de -125dBc/Hz, à 1MHz d’une porteuse à 12GHz.
Le STuW81300 en boîtier VFQFPN36 de 6x6x1mm est actuellement échantillonné auprès de quelques clients sélectionnés. Son prix unitaire est de 11$, par quantité de 1000 pièces. Un kit d’évaluation est par ailleurs disponible. Celui-ci inclut l’outil logiciel STWPLLSim.