
Dévolu aux applications à faible débit liées à l’Internet des objets, le module multipuce SKY68020-11 supporte 21 bandes LTE.
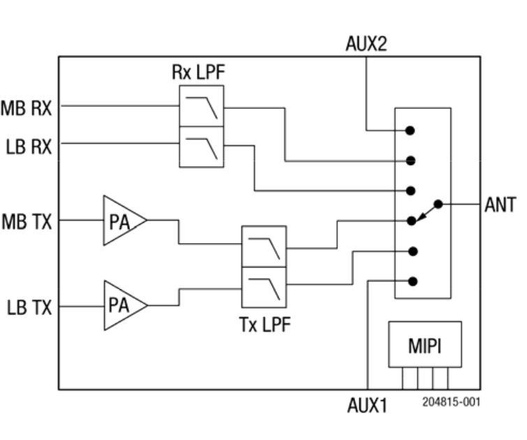
Sous la référence SKY68020-11, Skyworks introduit un module frontal RF multibande compatible LTE-M et NB-IoT (mode semi-duplex). Concrètement, ce module d’émission-réception hybride, destiné aux systèmes fonctionnant en mode semi-duplex, supporte les bandes LTE suivantes : 5, 8, 12, 13, 14, 17, 18, 19, 20, 26, 28, 71 et 85 d’un côté (bandes basses), 1, 2, 3, 4, 25, 39, 66 et 70 de l’autre (bandes moyennes). Il inclut des filtres passe-bas en réception, un amplificateur de puissance (+24 dBm) large bande avec son contrôleur de polarisation, des filtres d’harmoniques en émission, un commutateur d’antenne Rx/Tx et une interface MIPI 2.0.
Spécifié dans la gamme de température -40°C à +85°C, le SKY68020-11 est proposé dans un petit boîtier de 4x5x0,9mm, dont le brochage est compatible avec celui des SKY68000-31, SKY68001-31 et SKY68001-41 antérieurs.