Circuit imprimé américain : +19,1% pour les ventes de mars 2019
En mars dernier, les commandes ont, elles, reculé de 0,9% par rapport à mars 2018. (suite…)
En mars dernier, les commandes ont, elles, reculé de 0,9% par rapport à mars 2018. (suite…)
Les ventes ont très légèrement reculé sur un an à 603 millions de dollars. Le bénéfice net a atteint 14M$…
Au cours de son deuxième trimestre fiscal 2019, Sanmina a réalisé un chiffre d’affaires en hausse de 26,9% sur un…
La première plateforme d’accélération de l’industrie électronique du futur vient d'être créée dans le cadre du Contrat stratégique de la…
Forte est un outil Mouser de gestion des nomenclatures proposé gratuitement aux détenteurs d’un compte chez ce distributeur. (suite…)
Trafotek conçoit et fabrique des transformateurs et des filtres à destination de l’électronique de forte puissance. (suite…)
Ce sous-traitant en électronique publie un bénéfice net de 90,3 millions de dollars en forte hausse par rapport au premier…
Les domaines des capteurs Lidars et du spatial-défense ont tiré cette croissance. (suite…)
La surface totale des tranches de silicium livrées a atteint 3,051 milliards de pouces carré, selon l’organisme Semi. (suite…)
Le chiffre d’affaires a diminué de 3% par rapport à la même période de l’exercice 2017-2018. La perte nette a…
Les ventes ont diminué de 6,5% par rapport au 1er trimestre 2018. La perte nette a été de 3,3 millions…
La semaine dernière a été marquée par de nombreuses publications de résultats, avec tout d'abord les déboires de SK Hynix…
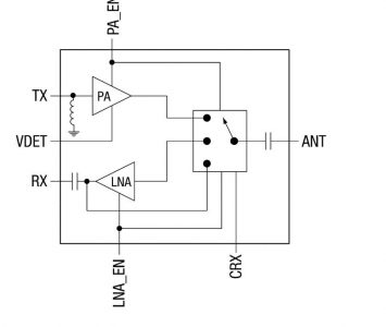
Dans un boîtier QFN de 16 broches, le SKY85726-11 inclut amplificateur de puissance et LNA à 5GHz, commutateur Rx/Tx et…