Le gouvernement s’arme contre les cyberattaques
La cybersécurité devient de plus en plus un enjeu important dans la politique de défense des pays. A l’occasion du…
La cybersécurité devient de plus en plus un enjeu important dans la politique de défense des pays. A l’occasion du…
Vishay lance des résistances à film épais compactes et conformes AEC-Q200, capables de remplacer des chaines de résistances dans des…
Le Japonais échantillonne des versions à deux puces redondantes de ses capteurs Hall tridimensionnels dédiés à l'automobile. TDK avait déjà…
Ce détecteur time-of-flight signé ST appréhende jusqu'à 64 zones de détection et le ciblage multiple, avec une portée maximale de…
L'Américain a multiplié les annonces lors de sa conférence Xilinx Adapt 2021, notamment en ce qui concerne les circuits logiques…
De passage au salon automobile de Munich, le P.-D.G. de Qualcomm, Cristiano Amon, s'est dit ouvert à la collaboration avec…
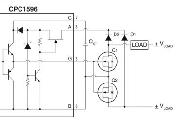
Un pilote de grille à isolation optique de Littelfuse se distingue par sa rapidité de démarrage et par sa faculté…
Un processeur Intel Xeon à six coeurs fait tourner cette carte PXIe destinée entre autres aux applications de test et…
Concevoir un montage de commande de moteur DC sans balais plus silencieux et compact et en dix minutes seulement, c’est…
Convenant aux applications militaires, navales et aéronautiques, les Mezalok HSLF du fabricant nécessitent une force d'extraction réduite de 47%. …
Un pilote de grille à isolation optique de Littelfuse se distingue par sa rapidité de démarrage et par sa faculté…
Durant le salon de l'automobile à Munich, Pat Gelsinger a déclaré qu'Intel mettra son usine irlandaise de semi-conducteurs à disposition…
Intel a déclaré hier qu'il pourrait investir jusqu'à 80Md€ en Europe au cours des dix prochaines années afin de développer…